Bonjour,
Je viens très peu sur le forum,
n'ayant pas trop de temps a consacrer à ma Nissan.
Mais aujourd'hui, j'ai besoin de vous.
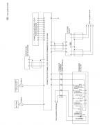
J'installe en ce moment un autoradio,
mais j'aimerais savoir où sont raccordés les fils du micro d'origine qui se trouve sur le plafonnier.
J'ai déjà fais une recherche, le sujet a été évoqué mais la réponse ne me satisfait pas.
Merci d'avance pour votre aide.
Je viens très peu sur le forum,
n'ayant pas trop de temps a consacrer à ma Nissan.
Mais aujourd'hui, j'ai besoin de vous.
J'installe en ce moment un autoradio,
mais j'aimerais savoir où sont raccordés les fils du micro d'origine qui se trouve sur le plafonnier.
J'ai déjà fais une recherche, le sujet a été évoqué mais la réponse ne me satisfait pas.
Merci d'avance pour votre aide.
